CAD2020关于标注类型
时间:2021-08-23 15:18:25  作者:彭老师

CAD2020关于标注类型,您可以采用多个方向和对齐方式为各种对象类型创建若干类型的标注。

基本的标注类型为线性标注、径向标注、角度标注、同基准标注和弧长标注。使用 DIM 命令根据要标注的对象类型自动创建标注。

在特殊情况下,也可以通过设置标注样式或编辑各标注来控制标注的外观。标注样式使您可以快速指定约束,并保持行业或工程标注标准。

提示: 若要简化图形组织和标注缩放,您可以在布局上而不是在模型空间中创建标注。

线性标注

线性标注可以水平、垂直或对齐放置。可根据放置文字时光标的移动方式,使用 DIM 命令创建对齐标注、水平标注或垂直标注。

CAD2020关于标注类型-1 

在旋转的标注中,尺寸线与尺寸界线原点形成一定的角度。在此示例中,标注旋转的指定角度等于该槽的角度。

  CAD2020关于标注类型-2 

注: 还可以创建尺寸线与尺寸界线不垂直的线性标注。这些称为倾斜标注,它们最常用于等轴测草图。在本例中,尺寸线的角度将定向于 30 度和 60 度,具体取决于当前的等轴测平面。

半径标注

径向标注可测量圆弧和圆的半径或直径,具有可选的中心线或中心标记。下图中显示了多个选项。

CAD2020关于标注类型-3 

注: 当标注的一部分位于已标注的圆弧或圆内时,将自动禁用非关联中心线或中心标记。

角度标注

角度标注测量两个选定几何对象或三个点之间的角度。从左到右,该示例分别演示了使用顶点和两个点、圆弧以及两条直线创建的角度标注。

CAD2020关于标注类型-4

坐标标注

坐标标注测量与原点(称为基准)的垂直距离(例如部件上的一个孔)。这些标注通过保持特征与基准点之间的精确偏移量,来避免误差增大。

重要: 基准根据 UCS 原点的当前位置而建立。 

CAD2020关于标注类型-5

在此示例中,基准 (0,0) 表示为图示面板左下角的孔。

弧长标注

弧长标注用于测量圆弧或多段线圆弧上的距离。弧长标注的典型用法包括测量围绕凸轮的距离或表示电缆的长度。

为区别它们是线性标注还是角度标注,默认情况下,弧长标注将显示一个圆弧符号。圆弧符号(也称为“帽子”或“盖子”)显示在标注文字的上方或前方。

CAD2020关于标注类型-6

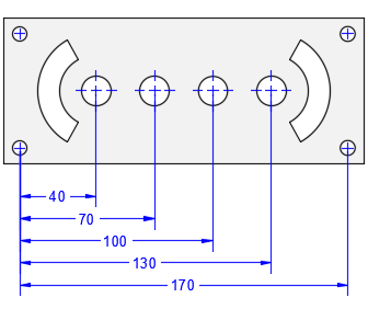
基线标注和连续标注

连续标注(也称为链式标注)是端对端放置的多个标注。

CAD2020关于标注类型-7

基线标注是多个具有从相同位置测量的偏移尺寸线的标注。

CAD2020关于标注类型-8

注: 若要创建连续标注或基线标注,必须首先创建线性标注、角度标注或坐标标注以用作基准标注,从而从其中参照后续标注。

  
热门
CAD教程:简单教你绘制三维实体机械零件图
CAD2020安装序列号和产品密钥
AutoCAD三维建模教程实例
AutoCAD绘制三维图入门实例教程
cad快捷键命令大全
CAD2021安装序列号和产品密钥
cad2016安装序列号和密钥
cad2018安装序列号和密钥
cad2018怎么调出或隐藏工具栏
cad2014序列号和密钥
CAD2022安装序列号和产品密钥
cad2017安装序列号和密钥