CAD2020新图形的介绍
时间:2021-08-26 08:19:47  作者:彭老师

下面给大家介绍的是CAD2020新图形的介绍,希望能帮助到大家!

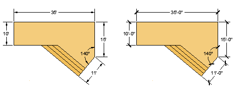
1、通过为文字、标注、线型和其他几种部件指定设置,您可以轻松地满足行业或公司标准的要求。例如,此后院甲板设计显示了两个不同的标注样式。

CAD2020新图形的介绍-1

2、所有这些设置都可以保存在图形样板文件中。单击“新建”以从下面几个图形样板文件中进行选择:

CAD2020新图形的介绍-2
  1. 对于英制图形,假设您的单位是英寸,请使用 acad.dwtacadlt.dwt
  2. 对于公制单位,假设您的单位是毫米,使用 acadiso.dwtacadltiso.dwt
CAD2020新图形的介绍-3

3、列表中的“教程”样板文件是用于建筑或机械设计主题的简单样例,使用英制 (i) 和公制 (m) 版本。您可能想要对它们进行试验。

4、大多数公司使用符合公司标准的图形样板文件。他们通常使用不同的图形样板文件,具体取决于项目或客户。

  
热门
CAD教程:简单教你绘制三维实体机械零件图
CAD2020安装序列号和产品密钥
AutoCAD三维建模教程实例
AutoCAD绘制三维图入门实例教程
cad快捷键命令大全
CAD2021安装序列号和产品密钥
cad2016安装序列号和密钥
cad2018安装序列号和密钥
cad2018怎么调出或隐藏工具栏
cad2014序列号和密钥
CAD2022安装序列号和产品密钥
cad2017安装序列号和密钥